Sometimes I make my own reproductions of cartridges.
Here are only photos of these. It's possible to do it from materials on
the Internet. These are not replicas, as replicas are visually identical,
these are (in most cases) functionally identical, they sit in cases with
my signature and they have a bit different PCB (to make it easy to do it
with thermal transfer technique).
For non-commercial purposes only.
Final Cartridge III
Complex circuit, using Ultimax mode to dump and restore RAM contents,
has nice GUI and some functions in BASIC.
Circuits required: 74LS163, 74LS174, 74LS14, 74LS09, 74LS133,
27C512.
PCB: Reverse-engineered from photos.
(used another IC for broken gate in 74LS09)
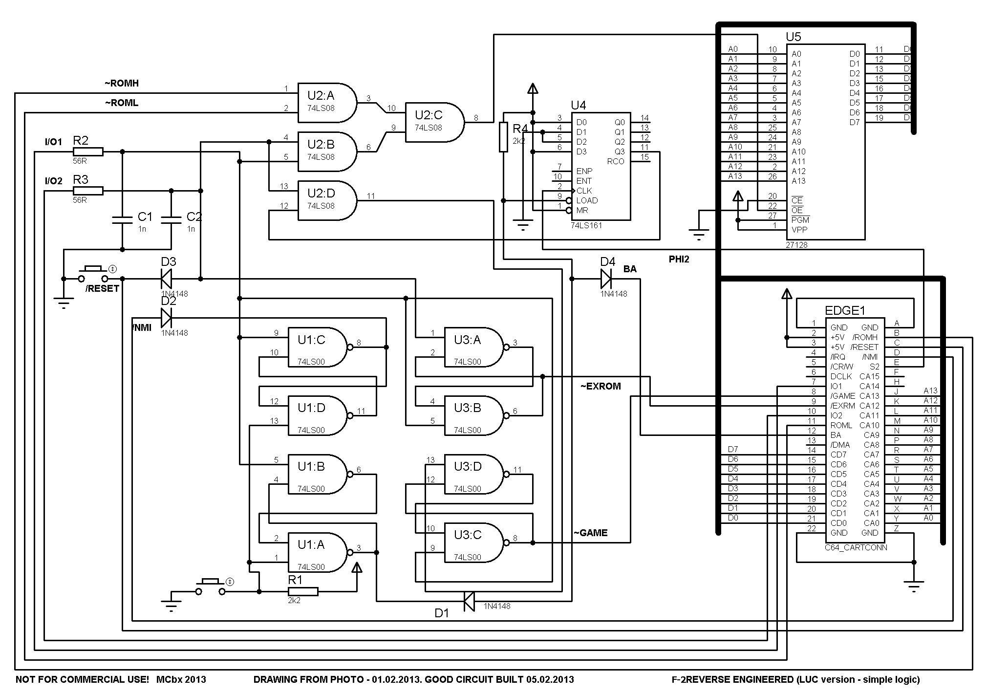
Final Cartridge 2:
Still complex one, no GUI but with freezer.
ICs used: 74LS08, 74LS161, 2x 74LS00,
27128
Schematic, PCB top
bottom. Reverse engineered from photos.
Black Box v.4
Very nice Polish cartridge with additional BASIC commands.
ROM can be downloaded here.
One 7400 circuit has 2 meanings:
1. It forms a latch in GAME and EXROM lines (IO2 to pin 5, Game
connected to Exrom to pin 6, pin 2 to pin 6, pin 3 to pin 4, pin 1 to
io1, reset to pin1 through diode with anode to pin 1, draw it you'll get
how it works). Second two NANDs form AND to AND ROMH and ROML to Chip
Enable. ROM connected by 13 lines.
Black Box v.8
Famous cartridge with Polish speech synthesis. ROM can be downloaded
here.
74LS175, 74LS08. 74LS08 is used only to AND ROMH and ROML to Chip Enable.
ROM connected by 13 lines.
There's an interesting switching mechanism allowing to switch GAME,
EXROM and contents of ROM itself. It's made around 74175 circuit. Its
clock is connected to IO2. Its reset: to reset line and (through diode)
reset switch.
D0 is connected to A0, D1 to A1, D2 to A2, D3 to A3. This makes
addressing specific location to set specific combination on the outputs,
which are:
- Q0 - /EXROM
- Q1 - /GAME
- /Q2 - A14 of EPROM (inverting output!)
- /Q3 - VPP of EPROM (inverting output!) - For future expansion which
never happened.
Plus cartridge
Very simple cartridge, uses only simple components.
Archive, downloaded from the Internet,
contains ROM, CRT, photos and manual, I've added my PCB drawings here. .
C64 dead test and other "typical" cartridges:
They are made in my "universal 8K board", drawings can be downloaded
here (bottom, top). This
board allows to put 8K EPROM and by setting jumpers decide what you want
to do with GAME, EXROM, ROMH, ROML or IO2. Like in these CBM boards for
their game cartridges.