[表紙頁]へ  関連記事の目次へ
1:着手」→「2:抜書」→「3:更改」→「4:寄道」→「5:構想」→「6:結線」→「7:算譜M」→「8:呻き」→「9:初一歩」→「10:二歩目」→「11:三歩目」→「12:一歩戻り」→「13:横道」→「14:縦車」→「15:復元」→「16:表記」」→「17:小作」→「18:改修」→「19:発見」→「20:再築」→「21:中止


[令和二年三月二十二日(2020.3.22)]
PROMライタ自作21、FlashWriterA&P 中止 [English Note

+++ 一旦中止 +++

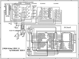
「BIOSチップ 28F002BX-Tが読み書き出来る自家製「Flash Writer」/PROMライタを作ろうと頑張って来たが、諸般の事情で、これを中止しようと思う。(図1)
理由のひとつは、最後の主ボード上の“0.5mmピッチの端子40本の配線”が、眼と指の老化で、もう出来そうにないこと。
もうひとつは、“BIOSを置き換えるターゲット”(「PC110」本体)が、勝手に復活してしまい、今はもう“不良品”では無くなったからだ。

ここまでに得たことは、「PICライタ」を使えるようになったことや「PICマイコンのプログラム」をC言語で書けるようになったことかな。(ただし、アセンブリの方は、未修得)

他方、Lycettさん(英国)から、材料面や精神面で応援して頂いたが、ご期待に添えなかったことは、残念だ。
ただ、頂いた“ジャンク基板”の方は、(単体でも)動かしたいという希望は、まだ持っている。(図2<クリック>)


+++ BIOS解析へ +++

「BIOSチップ:0.5mmピッチ」の載せ替えは諦めたが、表示部のTFT化を完璧にする為には、BIOSの一部修正が必要だろうと思うので、それは継続したい。

PC110」本体の情報が少ないので、かなり難しいのだが、幸い、これはIBM機だし、BIOSはXT、AT機のそれらに準じているらしいことが分かって来たので、有る程度までは解析出来るかもしれない。
先日、ネット上で、
『XT,AT and PS/2 IO port Adddress』 filed by Mr. Wim Osterholt
を発見!
これまで、IOポート=70,71などが意味不明だったのが、これで氷解した!
これは、手元用に印刷・製本して、眺め易くした。(図4<クリック>)
きっと、これで解析も楽になるだろう。(図3)
「BIOSルーチン」に関しては、今はまだ、初期のステップで、RTC(リアル・タイム・クロック)の確認や設定ルーチンの辺りを見ているのだが、きっとこの辺りで不整合があれば、例の「163エラー」を出す箇所だろうな。

「表示関係のルーチン」の解析が出来て、修正箇所が分かれば、BIOSup.exe/Xpatch.exeなどから、修正用のプログラムを自作出来ないかを検討してみたい。
Lycettさんから貰ったジャンク基板(単体)を、動かしてみたいと思っているのだが、生憎、電源端子の機能が分からないので、目下立ち往生中だ。


PROM Writer121、Stop working [2020.03.22]

+++  Cancel PROM writer Project +++

I have worked hard to make a home-made "Flash Memry Writer / PROM writer" that can read and write the BIOS chip 28F002BX-T, but for various reasons, I will stop this. (Fig_1)

One of the reasons is that the last problem "wiring of 40 terminals with 0.5mm pitch" on the main board shall be difficult by aging of my eyes and fingers.
The other is that the "target to replace BIOS" (failed body "PC110") was already vanished by revivaled.

What I have gained so far is that I can now use the "PIC writer" and can write "PIC microcomputer programs" in C language. (Assemblers are not yet.)

On the other hand, Mr. Lycett (UK) supported me in material and mental terms, but I am sorry that I did not meet his expectations.
However, the "junk board" that I received still has the expectation of working (even by itself).(Fig_2 <click>)
But, I am straggling about lack of knowlege around the power unit.


+++  To BIOS analysis +++

I gave up the replacement of "BIOS chip (0.5mm pitch)", but I think that some modification of the BIOS is necessary to complete the TFTized display, so I want to continue that.

The BIOS Analyzing is very difficult because there is little hardware/software information of the "PC110" body, but fortunately, this is an IBM machine, and it turns out that the BIOS seems to be similar to those of XT or AT machines, so it may be able to analyze to some extent Would.

The other day, I found "XT, AT and PS / 2 IO port Adddress" filed by Mr. Wim Osterholt !
Until now, the meaning of IO ports = 70, 71, etc., was unknown, but it is now thawed !
This is printed and bound at hand for easy viewing. (Fig_4 <click>)
Surely this will make analysis easier. (Fig_3)

As for the "BIOS routine", I am still looking at the RTC (real time clock) check and setting routines in the initial steps, but if there is any inconsistency in this area, the example Probably the place where "163 error" is issued.

If I'm able to analyze the "display-related routines" and find out the corrections, I would like to consider whether I can make my own correction program from "BIOSup.exe / Xpatch.exe".
I want to work the junk board (single) received from Mr.Lycett.
However, I am currently stuck because I am not know the function of the power supply terminal.


[令和二年一月十七日(2020.1.17)]
PROMライタ自作20、FlashWriterA&P 再築 

+++ 方式の再構築 +++

これまでやって来た自家製「Flash Writer」の開発方式を、今回、大幅変更(汎用的→専用的)するつもり。
実は、「PICマイコン」の能力に過大な期待をし過ぎていた反省と、また、不動「PC110」が回復した上に「ポトリ」の追加入手で、これらの活用というあらぬ欲が出て来た為♪(図2<クリック>
一方で、「BIOS Flash Memory」を外部で書き換える必要性が薄くなったこともある。
(次のステップは、「PC110」マシン本体内で、自己書き換えをする方法を見付けることだ)

それは兎も角、現在進行中の作業をどうするか?(止めるか?続けるか?それが問題だ!)
もし続けるとしたら?!を考えてみた。

今までは、出来るだけ汎用性を考えて、進めて来た。
しかし、全体構成をもっと専用化・緊密化して、例えば「PC110」を頭脳、「RS232C」を神経網、「PICマイコン」を手足にした構成にすれば、上手く行く/面白いのではないかと思う。
これまで、一番苦労していたのは、「RS232C」(神経網)部だったのだが、「PC110」の“シリアル・ポート”と“アセンブリ語プログラム”を使えば、至極簡単に通信が出来そうなことが判明。それで、今回の大幅変更を決めた。
具体的には、作って送る「Textデータ」は、「PICマイコン」のポート名(A、B、C、D、E)と出力|入力と、データ値(8ビット)の組合せ群とする。つまり、「PICマイコン」には、“シリアル−パラレル変換”と“テキスト−バイナリ変換/逆変換”の作業だけをさせるということ。

それが上手く行けば、この「Flash Writer」の完成は早いだろう。(図1)
(しかし、慣れ親しんで来たこれも、いずれ、お払い箱になる運命だな。泣)


[令和二年一月一日(2020.1.1)]
PROMライタ自作19、FlashWriterM&P 発見 

+++ セレンディピティ? +++

世の中のベテラン達には良く知られている話のようだが、私にとっては、初めて経験(発見)!ということだ。これらは、謂わば、“セレンディピティ”の類。

一つ目は、PICマイコンの「プログラムによるリセット」。
これは、偶々、WDT(ウォッチ・ドッグ・タイマ)を働かせようとし、その時間を最短にした時に、いきなりリセットが掛かったので、こいつが「プログラム・リセット」として使えることを知った/発見したわけ。
WDTPS3,2,1を全部ゼロにし、SWDTEN=1にすれば、約1msでWDTが働いて、リセットされるようだ。(図1では、別の目的で、約8〜9sに設定してある。通常、外部リセット後は、自動的に17msの設定されるらしい)

二つ目は、RS232Cを使った「ホストPC」と「PICマイコン(VY21AS/VB6.0)」間のデータのやり取りで、ホスト側(PIC16F887/XC8)からのキー入力程度なら、PIC側は、ボーレートが600〜19200bpsでも問題無く受信出来るのだが、連続送信にすると、PIC側は最初の一文字しか受け付けていないことが分かった/発見した。(図1の下の楕円印内)
これには、「LEDモニタ」が役立った。
プログラムの各所に(様々な)“擬似信号旗”を設けて、何処までプログラムが走ったかを、LEDの点灯状態を見て、問題箇所を見付けた。(図2<クリック>)
PIC側(クロック8MHz)からホスト側(クロック2GHz)への文字列の転送は、(高速でも)問題無く行えるので、やはり、CPUクロックの違いが、受信能力に大きく影響するようだ。

そのクロック周波数の差を埋めるべく、ホスト側からは1文字ずつゆっくり送る方式にしようと愚考。
...しかし、これが上手く行かない!?
ホスト側で、見掛け上のバッファ・サイズを1文字に制限したつもりなんだが、どうやら、もっと下層のAPI/ドライバ辺りのところで“バッファリング”と“並行処理”をしているようだ。
こちらは、1文字ずつをゆっくり1行分送ったつもり(のプログラム)なのに、APIが勝手に(!)それら1行分をひと纏めにしてドッと送信しているらしい。オマケに、PIC側はまだ受信中のままなのに、ホスト側は並列処理だもんで勝手に(!)「送信が終わりました!」だって。
そんな“纏め送り”じゃあ、PIC側では、とても受けられないわけだ。
(つまり、ホスト側のAPI/ドライバが、“気が利いて、間が抜けている”ってことか!?)

今年は、何処をどうすれば、一文字ずつゆっくり、PIC側に送れるかを“発見”しなくっちゃ!


[令和元年十二月二十六日(2019.12.26)]
PROMライタ自作18、FlashWriterM&P 改修 

+++ LED出力モニタの改修 +++

まだ、ホストからPICマイコン部/フラッシュ書き込み部までの“RS232Cによるデータ転送”が、上手く行ったり行かなかったり。
PICマイコン側単独で動作させてみても、何やら、LED列によるアドレス出力やデータ出力表示が可笑しい。
実は、当初、適当に表示さえ出来れば何とかなるだろうと、半田付けが楽になるような順序で接続していた。ところが、今になって、“データの並び”や“アドレスの繰り上がり”などが無茶苦茶になっていることが分かって、慌てた。 旧版「LEDモニタ」

こうなると、プログラム通りにデータが(フラッシュ・メモリ向けに)送り出されているのかどうかも怪しくなって来る。.....これは拙し!

ということで、「(自称)LED出力モニタ」を全面的に配線替え/改修した。(図1)
今回は、左に「OE*、CE*」2本と「データ線」8本の計10本、右側「セグメント+アドレス」18本+α2本を配置。(図2<クリック>)

+++ ビット配列・順序の調整 +++

見易くする為、「LED列」の天地を逆にしたら、配線群を逆にしなければならず、余計に梃子摺ってしまい、更に再改修が必要になってしまった。(トホホ)
細かく調べてみると、“ビットの並び”にまだ変な所があって、“55AA55AA00FF00FF...”などを表示させると、それが分かる。
結線を見直すと、やはり半田付け間違いがあって、それらを苦労しながら入れ替えるわけだ。
また、アドレスの繰り上がりも、目一杯までカウントさせてみて、順不同の箇所は、全部退治出来たはず。(図3) 動画は、目視確認や撮影の為に、書き込み毎に約300msの遅延を入れてある。(動画1<クリック>)

やはり、こうした“ちょっと見るだけのもの”にしても、性根を入れて作っておかないと、無用な混乱を招いてしまうことを、改めて再認識した。
今となっては、プログラムの正邪を確認する上でも不可欠な道具/冶具になって来た。もう、これ無しで済ますわけには行かない。(で、頑張って仕上げたぞ♪)


[表紙頁]へ  関連記事の目次へ

[令和元年十二月十七日(2019.12.17)]
PROMライタ自作17、FlashWriterM&P 小作 

+++ 算譜P(XC8)での小ルーチン作成 +++

算譜M(ホスト側)と算譜P(PICマイコン側)との間での通信状況が、少し進んだ。
標準方式(XMODEMやKermitなどを考えていたが、やはり、これらは結構面倒で、ここで採用するには、重装備過ぎる。
なので、もっと簡素化して、STX、ETXを使い、1文字ずつテキスト文字を1行分送る方式とし、それをバイナリに直して、Flashメモリに書き込む/読み出す方式にしようと考えた。

“変換ルーチン”として、(算譜Pの方で)atoi()itoa()を使ったのだが、それがどうも変らしい?!
コンパイル時にエラーにはならないものの、走らせると、ちゃんと変換が出来ないことが、調べ廻った末にやっと分かった。
改めて、HELPを調べたら、インクルード・ファイルとして、別途<libq.h>が必要だそうな。...(探してみたが、そんなの見付からないよ〜!)

仕方が無い!「PC-DOS版アセンブラMASM」では、良く作っていたので、「XC8」でも出来ないことは無かろうと、小(ルーチン)作りを試みた。
作ったのは、ABCV()BACV()で、変換後は、return(rddt)、return(rdch)で返すようにした。 今回は無理矢理?1文字ずつ送受信するつもりなので、1文字1バイトだから、“変換ルーチン”は至極簡単になる。(図1)
(尚、"空白"、"#"、"$"、〜/”などの列は、記号として利用するかもしれないので、変換せずにそのままとした)
因みに、通常は、8ビットの数値は2文字に変換しなければならない。atoi()では2文字→8ビット、itoa()では8ビット→2文字に変換することが可能なのだが、今回は手抜きで...数字“0”から“F”までの1文字を8ビットに変換するだけにし、その代わり、文字2個ずつを送受信することにした。この方式だと、送受信の時間は2倍になるが、変換が単純で楽だ。...(む、こんな手抜きをすると、もしかして、後で泣きを見るかな?)

コンソール(算譜M)側での交信の状態は、短い1行だけの送信ならほぼ正常に出来ているが、“INTEL_HEXファイル”全体を送信することは、まだ上手く行かない!?
まぁ、そろそろと、“小ルーチン作り”を積み重ねて行こう!


[表紙頁]へ  関連記事の目次へ

[令和元年十二月十二日(2019.12.12)]
PROMライタ自作16、FlashWriterM&P 表記 

+++ 算譜M(VB6)&P(XC8)での記号表記の違い +++

こんなことで?という所で、自作中のプログラム作成が停滞する。
今、プログラム(群)を、別々のツール(算譜MはVB6.0、算譜PはXC8−MPLAB)で作成しているのだが、私はどちらもほぼ々々初心者なので、1つの小ルーチンを書くにも四苦八苦。
そんな中、片方で使っていた記号が、他の一方で使えずに悩みまくり。
手持ちの書籍やネットを漁り廻って、やっとそれらで、それぞれ違う表記を使っていることを知った。(図1)

RS232Cによる(簡単な)通信でも、やはり無手勝流の方法では、どうにも上手く行かないので、よく知られている(標準的な)方法にしようと方針を変えた。
そこでは、「STX」(送信開始)、「ETX」(送信終了)などを使うようなので、それを真似ようとしたのだが、その出だしで躓いたってワケ。
また、それらに加えて、「XC8」にインクルードするものも次第に増えて来た。

 #include <pic.h>
 #include <pic16f887.h>
 #include <stdlib.h>
 #include <stdio.h>
 #include <ctype.h>
 #include <string.h>


ちっちゃなことなんだが、これらを見い出して小まめに追加して行かないと、作業が幾日も進まないという辛さがある。

とは言え、ここで手を止めて、諦めてしまうつもりもない。
不具合を抱えた「PC110」を何とか動かしてみたい、そのために「BIOS」の書き換えを試してみたいという願望は、まだ消えていないから。(図2<クリック>)


[表紙頁]へ  関連記事の目次へ

[令和元年十二月一日(2019.12.01)]
PROMライタ自作15、FlashWriterP 復元 

+++ 算譜P(Flash Writer P)を救い出した +++

少し、算譜M(Flash Writer M)の目鼻が付いて来たので、これとやり取りする算譜P(Flash Writer P)の方も手を入れようと開発環境(MPLAB X)を開き、算譜Pを再コンパイルしてみた。
ところが、幾度やり直しても、また中身をあちこち削ったり加えたりしても、“コマンドが不十分!”というエラーが2箇所出て来て、コンパイル出来ず。はぁ?...そんなはずはないんだが。

止む無く、(素人の常套手段?)MPLAB Xのアンストールと再組み込みなどを二度三度やってみたが...改善出来ず!?まったく、ワケワカメ!
(...だから、こうした“統合開発環境”なんてのは、嫌なんだ!とか何とか、愚痴もブチブチ)

そのエラー・メッセージをよく見ると、“レシピが拙い/出来ない”とある。(図2<クリック>)
(あ、そうだ!別件だが、此処のメッセージ文字の大小は、ctrl+Up/Downキーで変えられることが分かった。これで、読み難さは解消された)
何が足りないのかが、知識も無いし、まったく分からないのには弱った。
...ひょっとしかしたら、“必要なファイル群”を、不要だと勘違いして消してしまっていたのかもしれないと、閃いた。
そこで、昔からよくお世話になっている「復元 (Version 4.2.8)」を使って、文字列:“MPLAB”で、もしかしたらの“廃棄物探し”をやってみた。

その結果、運良くファイル一式が綺麗に復元出来た。(図1)
それを、ソースと同じフォルダに入れて、コンパイルしたら...(手に汗を握る瞬間!)...やった!!
エラー無しでコンパイルが出来て、実行ファイルも作れた!

しかし、この救済・復元に至るまでに、数日間、訳も分からずにネットを訪ね歩き、また考え込んでは、悶々としていたのだ。
“プログラミングって易しいよ!”なんて宣(のたま)う人の動画を見ながら、「そんなの、出来る人にしか、易しくないよ!」って呟いていた。


[表紙頁]へ  関連記事の目次へ

[令和元年十一月二十八日(2019.11.28)]
PROMライタ自作14、プログラマ 縦車  

+++ VB6.0のマウス・ホイール +++

画面内画面の「RichTextBox1」への文字記入と、同時にその文字コードを、PICマイコンの方へ「RS232C」で送ることが、やっと、出来るようになった。
この「RichTextBox1」は、単純な「TextBox1」に比して、直接、ファイルからデータを読み込んで表示したり、それをファイルに書き込んだりするのに大変具合が良いので、敢えてこれを選んでいる。(図2<クリック>の灰色の領域)

今は、そこからの「データ送受信」も可能になった。
(現在は、まだPICマイコン側のデータ送出機能が不全なので、画面は乱れているが、これはいずれ解消見込み)

そして、今回はオマケで、「VB6.0」のテキストやメニュー操作に「マウス・ホイール」が効かないという不便さを、遂に、解消した!
昔から、「VB6.0」をよく使って来たのに、「ホイール」が効かせられることに気が付かないままだった。
元々、そんな仕様なんだと思い込んで使っていた為なんだが。

ところが、ふと思い立って、ネットで調べてみると、昔から「ホイール」が使える「アドイン」があるというではないか!
(なんだ?大損をした気分だ
MS社からダウンロードして来て、組み込もうとしたが、妙なことに「スタート」から「プログラム名で実行」では、幾度やっても、見付からないという!?
最後に、「DOS窓」から実行したら、何故だか知らんが、上手く行った!(図1)
プログラム(のソース)が大きくなると、やはり「ホイール」の有り難さが、よく分かる♪


[表紙頁]へ  関連記事の目次へ

[令和元年十一月二十五日(2019.11.25)]
PROMライタ自作13、プログラマ 横道   [English Note

+++ 「1890A」の再検討 +++

今回は、偶々、自作のFlash Writerのプログラム作成がなかなか進まないので、息抜きのつもりで「Minato 1890AOU-910」の情報をネットで漁っていたら、Intel製Flashメモリ・ライタ関係の資料が見付かった。(図1)
http://intel-vintage-developer.eu5.org/DESIGN/FLCOMP/DEVTOOLS/10042_~1.HTM

それによると、「PC110」のBIOS Flasメモリも、我が中古PROMライタ(図2<クリック>)で読み書きが出来そうな雰囲気があった。

Lycettさん(UK)にその話をしたら、早速知人に当たってくれて、「1890A」の取扱説明書を探し出して、そのリンクを紹介してくれた。(感謝!)
リンク先:(リンク先不適)
優れた探索力と行動力だ!
彼は、巧く見付けられるのは“自分の運”だと言い、その上に、“相手への尋ね方”も重要だというから、引っ込み思案の私は、ただ感心するばかりだ。(彼は毎日、何をエネルギー源としてんだろ?z(^^;)

私は、それと平行して、もう少し詳しいことが分からぬかと、「ミナト・アドバンスト・テクノロジーズ株式会社」に(ダメもとで)問い合わせのメールを出したら、日をおかずに、丁寧な返事と一部資料の開示をして貰えた。・・・これには、吃驚やら有難いやら!(感謝!)

見せて頂いた資料の内容だけでは、どうすれば「i28F002BX-T」(デバイス名「D822」、LV「V4.2」)を、実際に書き込めるかまでは、残念ながら分からず。
やはり、所定の「変換ソケット」や「ファームウェア更新(V2.8→V4.2)」が無いと無理なのかもしれない。
今回は、そこまでで、ちょっとした横道への寄り道であった。

−−−−−−−−−−−−−−−−−−−−−−−−−
PROM Writer13、another way [2019.11.25]

+++  Review of “1890A” +++

This time, accidentally making programs for my home-made Flash Writer does not progress easily, so if I was catching information on "Minato 1890A, OU-910" on the net with the intention of breathing, I found a document related to Intel's Flash memory writer
.
http://intel-vintage-developer.eu5.org/DESIGN/FLCOMP/DEVTOOLS/10042_~1.HTM (Fig_1)
According to it, the BIOS Flas memory of "PC110" seemed to be able to be read and written by my used PROM writer (Fig_2 <click>).
When I talked to Mr. Lycett (UK), he immediately contacted some acquaintance and found out the instruction manual of "1890A" in the fall and introduced the link. (Thanks!)
Link:(not avalable now)

Great exploration and action ! (What does he use as a source of energy every day ? z(^^;)
He says that it is “my luck” that can be found skillfully, and that “how to ask the other person” is also important,
I'm just impressed every times.

In parallel with that, if I do not know a little more details, I sent an email to Minato Advanced Technologies Co., Ltd.
I was given disclosure of the materials. ... Thanks!
Unfortunately, I don't know how to write the "i28F002BX-T" (device name "D822", LeVision "V4.2") with the contents of the materials just shown.
After all, it may be impossible without the prescribed “conversion socket” and “firmware update (V2.8 → V4.2)”.
This time, up to that point, it was a slight detour to the side street.


[表紙頁]へ  関連記事の目次へ

[令和元年十一月十日(2019.11.10)]
PROMライタ自作12、算譜 I 一歩戻り

+++ 「INTELHEX.COM」の改善 +++

“Flashメモリ書き込み用算譜M(Program M)」を作成している途中で、先に作成していた「PC110-BIOSデータ」の“INTEL.HEX”の“チェック・サム”が間違っていたことが分かった。

そこで、プログラムを改善したのだが、ついでに、コード群の間に“空白”を入れない正規版(図1)に加えて、“空白”を入れて見易くした非正規版(図2<クリック>)のどちらも出せるようにした。

オマケで、“空白”以外の任意のキー入力で、その文字や記号を挟める“お遊び版(図3<プッシュ>)も可能だ。(でも、あまり利用価値は無さそうだが...笑)

 +試用算譜(Experimental Program)、他:intelhex.zip


+++ 操作方法と作業母艦「PC110」 +++

“操作方法”は、出来るだけ簡素にし、「Enter」キーを押すだけで、「PC110-BIOS」コードが取り出せるようにした。(図3)

“出力ファイル名”は“INTEL.HEX”で、出力先は同じフォルダ内のみ。
バックアップは無し。書き換えは“上書き”なので、旧ファイルを保存したい場合は、予め別名に書き換えておくこと。
操作中に“即時中止”は出来ないが、「Esc」キー&「Enter」キーで、“途中終了”は可能。
最後の行で、“空白”文字などを入れることが出来る。(エコーバックは無し)

この“プログラム”の作成、及び“BIOSコード”採取は、「6型TFT化PC110」で行った。(図4<クリック>
でも、流石に長時間の作業では、お互いの“疲労”が蓄積するので、マシンの機械的負担軽減の為に「外部キーボード」と人間側の眼球的負担軽減の為に「外部ディスプレイ」を使用するよう努めた♪


[表紙頁]へ  関連記事の目次へ

[令和元年十一月五日(2019.11.05)]
PROMライタ自作11、算譜 M 三歩目

+++ 「操作メニュー」作成に着手 +++

今、「Flashメモリ 28F002BX-T」の読み書き方法を調べているのだが、なかなかすっきりと理解が進まない。
元々、アクティブではない「メモリ・デバイス」に、コマンドを送り込んで内部で解釈させるという“独特の手法”を採っているので、(私のような固い頭には、)抵抗感が強い。

なので、算譜作成へのアプローチの方向を変えて、自分(の身体)に一番近い“操作メニュー”の方からやってみた。

“ツール”として何を使うか少し迷ったが、参考書の中に“算譜例”の丁度良いのがあったこともあって、「Visual Basic 6.0」を使うことにした。
それで、“RichTextBox”という枠内に、“INTEL_HEX(テキスト・データ)”を表示・編集出来る「操作メニュー」を作ってみた。(図1)

当初、“算譜例”通りに書いても、エラーが出て、先に進まなかった。
 RichTextBox1.LoadFile strFileName, rtfText
で合っているはずなのに、此処で停まってしまう。
あれこれ、資料類やGoogle先生に尋ねても、まともな結果が得られず。
四苦八苦の末、試しに、“Item(12)”という項を挟んでみたら、あら不思議!・・・上手く行った♪(図2<クリック>)
(12)は“RichTextBox1”のIndex番号なのだが、これも“1”から順に変えてみて、途中でそれだ!と気が付いた。
(本来なら、こんなのは挟まなくても良いはずなんだが。愚痴)

次に、問題だったのは、枠内に“INTEL_HEX”を表示させる際のフォントの選択だ。
どれもこれも、縦横ラインが綺麗に揃わない。結局、ベストなのは、「MSゴシック」だった。

尚、読み書きするファイルは、「INTEL_HEX」風フォーマットのものだけにする。
(これは、制式ではなく、見易くする為にスペースを挿入してある)
このメニュー上で個別修正やチェックサムの自動計算や、「Flashメモリ」への“書き込み”や“読み出し”の全てが出来るようにしたいと思っている。


[表紙頁]へ  関連記事の目次へ

[令和元年十月二十四日(2019.10.24)]
PROMライタ自作10、算譜 M 二歩目

+++ RS232Cを2口に +++

いよいよ、算譜/プログラムの作成に取り掛かったが、どうも作業がやり難い。
「PICライタ(AE-PICPGMII)」に接続してある一本の「RS232Cケーブル」を、一々取り外して、(自家製)「FlashMemory Writer」の方に繋ぎ替えなければいけないからだ。

PICマイコン(PIC16F887)に、「AE-PICPGM II」経由で算譜を書き込んでから、「FlashMemory Writer」にそれを移して、動作確認をしているからだ。
(実は、ICD(InCircuitDebugger) 機能が使えるようなので、それを使えば、もう少し簡素な開発系に出来ると思うが、整備の手間が面倒そうなので保留し、一回毎にPICマイコンを移す方式にした。その内、書き込み度数が限度を超えて破壊するかもしれないが、予備品は用意してある。笑)

作業用サブ機(「VY21A/W-5」)には、「RS232Cポート」は一口しかない(一口もある!)から、苦肉の策として「RS232Cケーブル」の繋ぎ替えを無くせるように、「USB-RS232C変換ケーブル」を追加した。(図1)
「USB-RS232C変換ケーブル」のドライバは、「WinXp」などでは専用のものが必要だが、「Win7」では自動的に組み込まれるようだ。

これで、「RS232Cポート」を必要とする2台の機器を、面倒なく操ることが出来るようになった♪(図2<クリック>


+++ if文の中の文字 +++

さて、算譜作成の方だが、少し遅れ気味。(といっても、マイペースだから程々に)
Cコンパイラの記法が、以前自分が使っていたC言語とは、微妙な処で違っていて、正すのに時間が掛かる。
例えば、“rdch”(仮変数)は読み込んだキャラクタを保存する変数で、これが文字qに等しければ、LED列を表示することにしたのだが、if(rdch =“q”)と書いたら、エラーになって、通してくれないのだ。
こういう書き方は、至極一般的だから、理解出来なくて困惑。

色々試してみた後で、ふと思い付いて、‘q’に書き換えてみた。
そしたら、すんなり通ってしまった。(図4<クリック>では、「q」のところで切り替わっている)
元の書法では、「改行」など“\r\n”と書かれているから、そうだと思い込んでしまっていたわけ。(図3)
(えっ!うっそー!?と叫びたい処だが、まぁ、世の中にはそんなこともあるのだと、納得!)

文字入力が選別出来るようになれば、作業用サブ機からコマンドを送り込んで「PICマイコン」を動かすことが出来るはずだが、まだ複数文字列での確認はしていない。...が、煩わしいから、“単文字コマンド”で済まそうかなと思っている。
しかし、2Mbitもデータを読み書きしようとすると「PICマイコン」内にはバッファリング用メモリが少ないので、バケツ・リレーのような忙しい作業をさせないといけないだろうな。


[表紙頁]へ  関連記事の目次へ

[令和元年十月二十一日(2019.10.21)]
PROMライタ自作9、動作 初一歩

+++ 回路動作の確認用冶具 +++

先日買った書籍の例題プログラムをデッド・コピーしてみたのだが、ウンともスン言わない。回路は働かず、PICチップは全然温かくもならない?

私は、PICマイコンにも、専用C言語ツールにも初心者なので、プログラム内の誤りも見つけられず、まったく訳も分からず状態で、途方にくれていた。

そこで、やったのは「PIC16F887」のデータシートの“読み直し”と“ネット検索”...。
やがて、「内蔵クロック」の指定の仕方が拙いのかもしれないと、薄ぼんやりと分かって来た。

四苦八苦の末、このPICマイコンに適した書き方(後述)に直してみたら、オオ、デキタ!
「LED列」は思い通りに点灯し始めたし、RS232Cの送受信も、書き込んだプログラム通りになっている!(動画1<クリック>
これで“最初の一歩”が踏み出せた。この先の道筋も、見えて来た!
尚、「LED列」は、今回仮に回路確認用として製作した冶具。(図1)


+++ 回路動作の確認用冶具 +++

PICマイコン「PIC16F887」の動作を、少しでも外から見たいと思い、本来は「Flashメモリ」を差すはずのソケットから、“アドレス線=16本”、“データ線=8本”を引き出して「LED列」で表示出来るようにした。
PIC16F887」の出力で、(330Ω経由で、)直接LEDを点灯出来るだろうと思うが、全LEDを同時点灯させたら、多分電力消費が多過ぎるかもしれないので、「トランジスタ・アレイ(TD62084AGP)」x3でバッファリングをさせる回路にした。(図3)

回路は至極簡単で、直列に接続するだけでいいのだが、本数が多いので最初にテストした時は、一本だけ半田ミスがあり、点灯しないLEDがあった。(図4<クリック>
(やはり、ひとつでも点灯しないのがあると、焦ってしまうのは、世の常、人の常)
この“確認用冶具”は、最初の内だけ必要なのだが、後はお蔵入りの見込み。
安く仕上げる為、部材などは、手持ち在庫(330Ω=\0)や百均品(透明ケース=\110)、特価品(LED列=\99)や安価品(Tr.アレイ=\471)、普通品(基板=\100)などを使った。


+++ MPLAB X IDE Cコンパイラと問題箇所 +++

今回の関所は、プログラムで“内蔵クロック”の指定方法が違っていたこと。
それが原因で、“外部クロック”入力待ちの状態のままで“動作”していなかったわけだ。

この指定違いは、マイコン機種が違っているので、当然のことなのだが。
その“オマジナイ”を探し出して来て、書き直した。[FOSC=INTRC_NOCLKOUT](図5)
そしたら、一度に全体が“動作OK”になった!
参考サイト:https://electrosome.com/led-pic-microcontroller-mplab-xc8/ → [window]項

その他は、ほぼ、資料(『マイコンプログラミング実習』)の中のプログラムを参考にさせて頂いている。
尚、以前は、開発用マシンを「PC110」と設定していたが、ちょっと非力過ぎて無理なので、「構想」では「PC-VY12FHWinXp)」に替えようとしたが、これも後で「MPLAB X」が使えないことが分かったので、止めた。
(しかし、これの“出力メッセージ”の文字が小さくて困っているが、極力老眼鏡などは使わないつもりなので、必死で読み取っている。図6<クリック>

結局、統合的に作業が出来る「PC-VY21/W-5Win7)」(サブ機)を、使わざるを得なかった。
現在は、このマシンから、「PICマイコン書き込み器「AE-PICPGM II」で、プログラムを書き込んで、更に「自家製Flashライタ」に繋ぎ替えて、テストや本番読み書きなどの“全作業”をやろうと考えている。


[表紙頁]へ  関連記事の目次へ

[令和元年十月十二日(2019.10.12)]
PROMライタ自作8、算譜P 呻き

「自家製PROMライタ」用として、必要な2組(算譜Mと算譜P)の内の「PICボード」(算譜P)の方の道筋も探ってみた。...が、呻けども、なかなか進まない。

当初、「PICマイコン(PIC16F887)」のプログラム作成ツールとして、(「MPLABX」内にあるツール類で、)“EDIT→ASM→LINK→DEBUG”を考えていた。
例えば、「WinXp」上だと「mpasmx.exe」を使えばいいらしい。
これだと“単独メニュー”が出て来るので、設定も単純だし設定し易いし、アセンブルも即座に出来る。(図2<クリック>
実験的に、幾つかの異種のPICの例題を書き換えたり、アセンブルしてみることが容易だった。

そこまでは良かったのだが、その後がいけない。
続処理用の「mplib.exe」や「mplink.exe」などは、DOSモードでしか使えないらしい。
多分、これらは、BATファイルを作って、それの中に組み入れておけばいいのだろうが、それらの設定が、かなり面倒そうだ。
何か、実例が欲しい...。

他方、(簡単そうに見える)“統合環境”で「MPLAB X」でプログラムを作成するにしても、実際は“最初の設定”が複雑過ぎて、私のような初心者は、戸惑いを覚えるばかり。
“メインメニュー”も直感的に選択出来るようなメニューではなく、ベースになる知識が無ければ、満足な設定も出来ない状況だ。(図1)
で、始めからお手上げで/万歳をしてしまった!

実は、私は、こうしたお仕着せ感の強い統合環境”なるものが好きではない。
出来れば、自分の手に合うような小道具類でコツコツ作って行って、それらを寄せ集めて完成させるのが好きなんだ。
(それに、この“統合環境”は、11型画面では、文字が小さくなり過ぎて、しかも英文だから“説明”を読むのも大変だ)
まぁ、貧弱な知識と技量では、あまり贅沢は許されそうに無いので、兎に角、「MPASM,MPLINK,MPLIB」の組み合わせで、どの程度まで出来るか、アタックしてみるしかないだろうな。
(読み辛いけど、)懸命に英文説明書を見る。


[表紙頁]へ  関連記事の目次へ

[令和元年十月九日(2019.10.09)]
PROMライタ自作7、ホスト側 算譜M

「自家製PROMライタ」のハードウェアは、一応組み上げた。デバッグは未だ。
次に、それをデバッグし、新たなソフトウェアを用意したいが、それには2組のプログラム(算譜M,P)が必要になる。
一つは、「ホストPCWinXp搭載)」から、「PROMライタ」へ“BIOSデータを送込/読出プログラム(算譜M)”だ。
もう一つは、「PROMライタ」内の“PICマイコン用プログラム”(算譜P)で、これで、BIOSチップ「28F002BX-T」への読み書きを行わせたい。

今回は、前者の「ホストPC」上で使う“読み書きプログラム”の作成方法を検討した。

(株)秋月電子通商の製品に付されている“プログラム”(図1)が現に実働しているので、そのソース「picpgm6」を参考にさせて貰うことにした。(公開、感謝!)

ただ、多機種対応なので、このままでは、解析するにしても、冗長過ぎる。
そこで、ライタ実機(AE-PICPGM II)(図2<クリック>)を使って確かめながら、“メニューのクリック毎に出るエラー箇所”を見て、ソース上の不要なものを削れるだけ削り、必要な箇所やファイルを残すようにして、“ソース・プログラム”をスリム化してみた。
今後は、主に“データの転送手順”などを細かく調べて行くつもり。
(私の知識が欠けている領域を、こうしたベテランの作ったルーチン群を拝見しながら、手早く埋めて行くのが良い方策だと思っている)


上記の「picpgm6」を、実際に動かして確認したり、「新規のプログラム」(名前はまだ無い!漱石/Sousekiより)を作成する為のツールとして、手持ちの「VisualBasic6.0」が使えそうだ。これは、嬉しい!(図3)

この(VB6)を使って、ソース「picpgm6」を整理・簡素化してみたのだが、機種を「AE-PICPGM II」に絞ったにも拘わらず、必要な“フォーム”や“標準モジュール”が、かなり多く残った!(図4<クリック>
(もっと減るかと期待していたが、それ程でもなかった。まぁ、解析/分析がし易いので、多いのは悪いことではないと思う)

この後、それも、目的が“特定のBIOSチップ”の内容確認や添削だけなので、単機能でシンプルな(「自家製PROMライタ」用の)「読み書きプログラム」を作りたい。


[表紙頁]へ  関連記事の目次へ

[令和元年十月六日(2019.10.06)]
PROMライタ自作6、PICボード 結線

多くの配線に躊躇して、作業に着手するのが億劫だったのだが、やっと、「PIC&PROMソケット・ボード」の結線を完了した。
一旦着手すれば、作業は順調に進められることは自分でも分かっていたので、無理に自分を励まして、半田鏝を熱したわけだ。

結線は、アドレス・ライン群から始めて、出来るだけ他の線群と重ならないように留意しながら布線した。
次に、データ・ライン群、そして制御線を布線。
やはり、線群が増えて来ると、重なりが増えるのは、避け難い。(図1)

結線中に苛立ったことがある。
それは、「(暫定版_3)回路図」(図2<クリック>)が“部品搭載面”から見た図になっていることだ。
“半田付け面”側では、端子群の位置関係が「回路図」と反対になるので、しばしば“端子位置”を誤認・錯乱してしまう。
途中で、余程、そうした間違いを減らせる「実体配線図」でも作ろうかと迷ったが、“手間”を天秤に掛けた結果、そのまま“半田付け作業”を続行して、完了した!
自動配線PCBを考えてみて、「5枚 USD$7.9送料込み」という案内などを見ると、強く惹かれるものがあるが、やはり“(私のような)古物人間”は、必要数が1枚だけだと、直ぐに手-配線で済まそうとする性癖が勝ってしまう)


本体側の方は、基板/パターンのあちらこちらから取り出さねばならないので、蛸足(いや、10本だから)烏賊足配線になっている。(図3)

本体基板の流用
+書込用高電圧(+12V)を供給する為に、「RS232C用駆動回路」の一部を利用にしているのだが、(拙いことに)マイナス電圧も出てしまうので、これの手直しが必要。
+筐体前面に付いている「LED表示」(図4<クリック>)を、CE#WE#などの“活動表示”に利用出来ないか?と、結線してみた。(これは、半分遊び心で、実用的ではないかも)

「PICマイコン」をソケットに搭載してみて、デバッグの為の“抜き差し”が、かなり面倒だと分かった。これは、あまり良くないなぁ。
...やはり、「PICマイコン」を載せたままで書き換えが出来る“ICSP機能”を使わないとダメかなぁ?と思い始めた。
...でも、更に“(難しい)外部回路”を増やすのは、更に“屋上階を重ねる”ことになり兼ねない。
で、暫く、このまま“抜き差し方式”でやってみよう!


[表紙頁]へ  関連記事の目次へ

[令和元年十月三日(2019.10.03)]
PROMライタ自作5、全体系 構想

自作PROMライタ」の内部配線を進める前に、「PIC16F887」の機能を調べ始めた。
この「PIC16F887」は、端子数の多さとコストだけで選んだが、調べてみるとRAMが368バイトと、雀の涙の如く少ない。
ということは、2MbitsのFlashメモリ(=「PC110」のBIOSチップ)のデータ量に対しては、まったく無力。
つまり、“PROMライタ”とは銘打ったものの、単なる“書き込み端子”にしかならないわけだ。

そこで、当初考えていたホスト(PC110)を、「PC-VY12FH」(WinXp搭載)に替えて、データをそのホストで保持・読み書き制御する方式にした。(図1)
(PICマイコンには、アドレス・ラッチ、データ・ラッチなどの役割させるわけだ)

ホストをこの「PC-VY12FHにすれば、“PIC Writer「AE-PICPGM II」”で、PICの読み書きも出来るから都合が良い。(図2<クリック>
(当初は使わないつもりだった“PIC Writer”だが、今回活用出来そう)

PICマイコンのプログラムは、以下のような種類のコマンド&データを処理出来れば良いだろう。
 +アドレス保持   :16ビット
 +データ転送    : 8ビット
 +CE#、OE#、WE#:各1ビット
 +Vpp、リセット  :各1ビット
これらを順序正しく組み合わせて、シリアルで送受するので、かなり“のろまな動作”になるだろうが、それは止むを得ないし、構わないと思う。
尚、この“PICマイコン”は“インサーキット・デバッグ”が出来るようだが、今回はそれを使わずにやってみるつもり。

...此処で、はたと困った!
WinXp上で、“USB経由でデータ転送をするプログラム”を作りたいが、それに適したツールを思い付かない。
“アセンブラ”や“C”だと、それぞれ「帯に短し、襷に長し」か。(う〜む。ちょっと違うか?)
“C”と“OpenCV”とで、“USBカメラから映像データを取り込むプログラム”は作ったことがあるが、“データの送受信”は経験も知識も無い。
もしかして、「VB6」や「PICPGM II」用のソース・ファイルが参考になるかもしれないので、後で調べてみよう。


[表紙頁]へ  関連記事の目次へ

[令和元年九月二十八日(2019.09.28)]
PROMライタ自作4、寄り道 PCB化? 

水魚堂製「Bsch3V」で、回路図を描き直しながら、ふと考えた。
この「PIC_Board」を「KiCAD」と「FreeRouter」で“自動配線”をしてみたら、どんな風になるかな?と。
・・・“自動配線”は、あっけなく終わってしまった!(図1)
しかし、その前の準備が少し面倒だ。

当初は、「Bsch3V」の回路図を転用するつもりだったが、「KiCAD」では、そのままでは取り込めないらしい。何か別途、アドオン“ツール”が必要なのかも。
そうした“ツール”を探すのは諦めて、新規に回路図を描いた。(図2<クリック>
40ピンPROM(ソケット)も端子機能の合うものが無かったので、新たに作らねばならなかった。

気になっていたのは、「KiCAD」の“バス・ライン”は太線で描けるが、相互接続はどうするのか?ってこと。
実は、結合相手同士に“同じラベル”を付せばいいだけのことらしい。例えば、[33:PA0]−[PA0:9]、あるいは、[2:PD7]−[PD7:28]といった具合。ま、それで、“ネット・リスト”は出来るもんなぁ。じゃあ、わざわざ線群を引かなくてもいいのか?!

もし、これのデータ群を準備して、基板製造工場に発注すれば、1ヶ月くらいで完成品が入手出来ると思う。
しかし、基板は小さいし、汎用性も無いし、それに「PC110 TFT化中継基板」のように複数枚作る必要も無い。
また、例の貝殻型ソケット(Clam shell socket)を直接載せたPCBを作れば、「変換ソケット」の改造などは無用になったのだが、それも1枚だけの話だから、無意味だな。
なので、これのPCB製造はやるつもりはないが、図面上では複雑そうに見えても、実際、PCBにすれば至ってシンプルで、コンパクトに出来ると分かった。


[表紙頁]へ  関連記事の目次へ

[令和元年九月二十四日(2019.09.24)]
PROMライタ自作3、回路図の更改 

前回、作成した回路図には、うっかりミスがあった。
「ゼロ・プレッシャ・ソケット40ピン」に置くべきチップの“端子配置図”の上に、「E28F002BX-T」をそのままで、描いた。
しかし、現実には、既に「変換ソケット」を使っているし、また、その接続を「紫外線消型PROM」に合うように変更してある。
まぁ、今回製作する「PROMライタ」では、「紫外線消去型PROM」を扱わないつもりだが、いずれにしても、「変換ソケット」に合わせなければいけない。
それで、機器名を(前回とは違って)「PROM WRITER」とした。(図1、図2<クリック>

“Vpp印加回路”や“RESET回路”は、左程難しくは無いと思うが、頭の中だけでは心許ないので、実験的に確かめながら決めようと思っている。
“Vpp印加(+12V)”には、“論理−レベル変換”が必要なのだが、それを元の「M75188」の一部から捻出する。(多分、これでいいはずだが?!)
今回の回路図も(最終版ではなくて、)暫定だ。

適当な「RESET回路用SW」が手元に無いので、また大阪・日本橋へ出掛けて行って、調達しなければならない。

−−−−−−−−−−−−−−−−−−−−−−−−−

+++ 配慮項目など +++

PICの出力端子の殆どは、PROM用のデータ・ライン(8)、アドレス・ライン(16+2)用として使ってしまう。
アドレスの上位2ビットの指定用として、「RE0」、「RE1」を当てた。
「UART/EUART」と「I2C」端子は、切り替えて使えるように開けてある。
また、制御関係は、CE*(CE#)=RC0、OE*(OE#)=RC1などを当ててある。

こうした割り当ては、今は最適かどうか分からない。
実際に、プログラムを組んでみて、その適否が分かる。
不適当なら、また組み直さねばならないだろうと思う。

回路を組まず(ハードウェアの方を確定せず)に、プログラムを組むことは、私には難しいので、兎に角、資料を更に細かく参照しながら回路を組んでみる(半田付けをする)。


[表紙頁]へ  関連記事の目次へ

[令和元年九月二十二日(2019.09.22)]
PROMライタ自作2、回路の抜書き 

“RS232C”部は(標準の)±12Vなので、それを(ロジックレベルの)+5Vへ“レベル変換”することが必要だが、「PV-A1200」の入出力部(IC11〜IC15)がそのまま利用出来そうだ。(図1)

その“回路接続”を解析して、必要な「RxD」、「TxD」のルートを抜き出し、全体の素案を描いてみた。(図2<クリック>
尚、[CTS]と[RTS]は、直結しておけば良いらしい。
PIC16F887」には、“I2C”機能もあるので、そちらを使うことも出来るのだが、今回は、“非同期通信系:EUSART”の方でやってみよう。

プログラミングの面で、“RS232C”と“I2C”でどちらの方が楽なのか、よく分からないので、後で変えることも想定しておく。
(「PICボード」の方で、“配線替え”をすればようだろう)

余興だが、前パネルのLEDは、動作中にチカチカしていれば面白かろうと思うので、現在の配線は切らずに残してある。
どれが、実際どんな風に見えるかは、後の楽しみだ♪

−−−−−−−−−−−−−−−−−−−−−−−−−

+++ 部品の配置(予定) +++

「PICボード」の置き場所は、ほぼ決めた!
実は、「PROMソケット」をどのように配置するか考える途中で、「ケース」の“金属天板”を切り抜くことも考えた。
だが、アマチュア的な発想をすれば、もし、“金属天板”を外した状態で“作業”が出来れば、「天板」は加工せずに済む。
そして、作業が済んだ後で(未加工のままの)「天板」を元に戻せば、「ケース」はスマートなままで保存出来るだろう...よし、この方法で行こう!

「PICボード」には、蛇の目基板:8枚組¥800税込みの中の1枚を使い、「40ピン標準型ソケット」と「40ピン・ゼロプレッシャ・ソケット」とを乗せる。(図3)
他に必要な部品は、「Xtal」と「小容量キャパシタ」だが、元基板から外した9.8304MHzx1と27PFx2を使う。
(後で気が付いたのだが、内蔵クロックがあるので、それを使えば部品や手間の節約が出来そうだ)

その前に、ACコードの端が半田付けだったので、此処を“簡単抜き差し”が出来るように、元基板を加工しておいた。(図4<クリック>
この元基板への配線が済めば、これを固定し、その後は、「PICボード」の配線に取り掛かろうと思っている。


[表紙頁]へ  関連記事の目次へ

[令和元年九月十八日(2019.09.18)]
PROMライタ自作1、着手 

「PROMライタ」の自作を決めてから、暫く、どのような“構成”と“構造”にするかを考えていたのだが、なかなか進まなかった。
(やはり、高温多湿の日本の夏の気候に勝てなかったから?...ウソ)

結局、端子数の多い「PICマイコン」(PIC16F887 ¥370税込み)を使って、“読み書き制御”をやってみようと考えた。
これの“書き込み器”として、先に買った「AE-PICPGMII」など、2、3種があるので、それらのテストを兼ねて使ってみる。
ただ、「PICマイコン」のプログラミングは、今回が初めてなので、先ず、その勉強から始めねばならない。

他方、“ホスト”として「PC110」を考えているので、「PROMライタ」として、“RS232C”経由のデータを「PIC16F887」で受けて、(40ピンのゼロ・プレッシャ・ソケットを使って、)Flashメモリ「28F002BX-T」に書き込める形にしたい。
その“容器/ケース”として、Dsub25ピンのコネクタが付いていて、+12V、+5V電源が入っているコンパクトなのがいいな、と夢見ていた。
そんな“容器”を漁っていたら、大変好適な“MODEM(PV-A1200)”のジャンク品が見付かった。(総費用¥810送料込み)
それの、入出力インタフェースもそのまま利用相出来そうだし、電源も、一応全部揃っている。(図1)
(まぁ、電流容量が足りるかどうかは、まだ分からないが)

無用なパーツ類を取り除いて、空いた箇所に、小基板を載せ、その上に「PICマイコン」と「40ピン・ゼロプレッシャ・ソケット」などを組み込もうと思う。
現在、「PICマイコン」と「RS232C端子」とを結合する「入出力インタフェース回路」を調べている。

−−−−−−−−−−−−−−−−−−−−−−−−−

+++ 回路図の作成準備  +++

単層両面基板なので、回路を追うことは比較的楽なのだが、分岐した線群を見失うので、幾度も同じ線を(無駄に)探索。
一応、必要な結線情報は、洗い出せた。

これを回路図に直そうとしたら、“部品ライブラリ”の中に無い、古い/新しい(?)“部品図”が必要で、ソフトツール(「BS3hCV」や「KiCAD」)では、直ぐに回路図が描けない。(例えば、図4<クリック>
そんな“部品図”なら、自前で作ってしまえば済むはずなんだが、それが、今回は何故か上手く作れない。

オマケに、「PICマイコン」の学習も進んでいないし、Flashメモリ「28F002BX-T」の書き込み手順も調べておかねばならないし、BIOS内容の解析も遅れているし、あれもこれもで、頭の中が“お祭り状態”になっている。

逆に、ゆっくりやろうとすると、何時まで経っても“起動”が掛からず、丸で“日本国の憲法改正”のような状態で、そっちの方向も良くない。
まぁ、憲法改正は、もう、安倍首相が釈迦力にやっても、成就可能な時期は過ぎ去ってしまっている。人気取り役の小泉進次郎氏を持って来たのは、既に詰んでしまって、何時投げようか?と問い掛けただけの話!


[表紙頁]へ  関連記事の目次へ